| توافر الحالة: | |
|---|---|
| الكمية: | |
DF-456-5-SS
HEE
DF-456-5-SS 3 DOG مربى ماء ماء
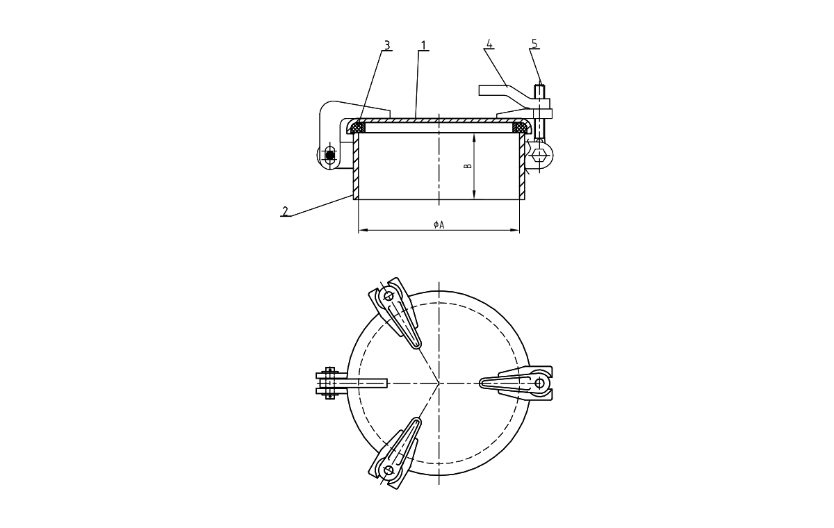
نموذج لا. | φa | B | بالوزن (رطل) |
| DF-456-5-SS | 12 ' | 5 ' | 55 |
| لا. | الاسم والمواصفات | كتي | مادة |
| 1 | غطاء | 1 | الفولاذ المقاوم للصدأ |
| 2 | coaming | 1 | الفولاذ المقاوم للصدأ |
| 3 | حشية | 1 | النيوبرين |
| 4 | مقبض الكلاب | 3 | الفولاذ المقاوم للصدأ |
| 5 | تعثر الترباس | 3 | البرونز |
إن DF-456 SS 3-DOG ARTHEDIGHTIGHT BOSS يوفر بناء الفولاذ المقاوم للصدأ الممتاز إلى حلول وصول خفيفة الوزن ، وهي مثالية للتطبيقات التي تكون فيها مقاومة التآكل والحد الأدنى من الصيانة من الأولويات. نظرًا لأن الصناعة البحرية تتبنى بشكل متزايد مكونات الفولاذ المقاوم للصدأ لبيئات المياه المالحة ، فإن هذه الفتحة توفر متانة استثنائية في تصميم مضغوط. بقياس 16 × 14 بوصة ويزن 85 رطلاً فقط ، يوفر DF-456 SS إمكانية الوصول إلى الأنظمة الإضافية ، والأجزاء الكهربائية ، وخزائن التخزين مع الحفاظ على سلامة ماء الماء. يوفر نظام الإغلاق المكون من ثلاثة أجسام عملية مبسطة دون المساس بأداء الختم في ظروف معتدلة.
مصنعة بالكامل من 316 من الفولاذ المقاوم للصدأ ، بما في ذلك الإطار والغطاء والكلاب والسحابات ، يوفر الفتحة مقاومة فائقة للتآكل وتآكل الشق في بيئات المياه المالحة. تخضع جميع المكونات لعلاج التخميل لتعزيز مقاومة التآكل ، مع الانتهاء من 2B التي توازن الجماليات مع المتانة العملية. هذا اختيار المواد يلغي مخاوف الصدأ ويمتد بشكل كبير فترات الصيانة.
يتم ترتيب الكلاب الثلاثة المصنوعة من الفولاذ المقاوم للصدأ الثلاثة في نمط ثلاثي لتوزيع ضغط الختم بشكل فعال عبر الفتحة المدمجة. يتميز كل كلب بمقبض تعديل كبير مع قفل إيجابي ، مما يسمح بصقل الضغط لاستيعاب حركة سطح السفينة. يعمل المقبض المركزي على تشغيل الكلاب الثلاثة في وقت واحد ، مما يؤدي إلى تبسيط العملية مقارنة بتصميمات الترباس الفردية.
مع الحد الأدنى من متطلبات عمق التثبيت البالغ 4 بوصات فقط ، يكون DF-456 SS مناسبًا للتثبيت في تطبيقات DECK TILP حيث تكون المساحة محدودة. يوفر الإطار المرتفع منخفضًا (1.5 بوصة فوق سطح السفينة) تصريفًا مناسبًا مع الحفاظ على إمكانية الوصول. يمكن تركيب الفتحة في كل من الاتجاهات الأفقية والرأسية دون المساس بالأداء.
316 يحتوي الفولاذ المقاوم للصدأ على الموليبدينوم ، والذي يوفر مقاومة متفوقة للتآكل الناجم عن الكلوريد مقارنة بـ 304 من الفولاذ المقاوم للصدأ ، مما يجعله مثاليًا لبيئات المياه المالحة. إنه يوفر حوالي 50 ٪ مقاومة تآكل أفضل في التطبيقات البحرية ، مما يمتد بشكل كبير عمر الخدمة في الظروف القاسية.
يخلق ترتيب الكلب الثلاثي ثلاث نقاط ضغط أولية توزع القوة بالتساوي عبر سطح الختم في فتحات أصغر. يعد هذا التكوين فعالًا بشكل خاص بالنسبة للباعات المدمجة حيث يتطلب المحيط المخفض نقاط ضغط أقل ولكن في وضع استراتيجي.
يحافظ DF-456 SS على أداء مانعة للماء عند الضغوط الهيدروستاتيكية حتى 2.5 رطل ، مناسبة لتطبيقات سطح السفينة والبنية الفوقية على السفن التي تعمل في بيئات ساحلية وخارجية حتى Sea State 4.
نعم ، تم تصميم آلية الإغلاق لتعمل بشكل موثوق في درجات حرارة تصل إلى -25 درجة مئوية (-13 درجة فهرنهايت) ، مع استخدام جميع الأجزاء المتحركة التي تستخدم البطانات المقاومة للتآكل التي تمنع التجمد والاستيلاء على البيئات الباردة.
قطعاً. إن بناء الفولاذ غير الخاضع للخلايا وحشيات السيليكون المعتمدة من FDA (عند تحديد) تجعل DF-456 SS مثاليًا للسفن التي تنقل المنتجات الغذائية أو مياه الشرب ، حيث تكون مقاومة النظافة والتآكل أمرًا بالغ الأهمية. الأسطح الملساء تسهل التنظيف والتطهير السهل.
DF-456-5-SS 3 DOG مربى ماء ماء
نموذج لا. | φa | B | بالوزن (رطل) |
| DF-456-5-SS | 12 ' | 5 ' | 55 |
| لا. | الاسم والمواصفات | كتي | مادة |
| 1 | غطاء | 1 | الفولاذ المقاوم للصدأ |
| 2 | coaming | 1 | الفولاذ المقاوم للصدأ |
| 3 | حشية | 1 | النيوبرين |
| 4 | مقبض الكلاب | 3 | الفولاذ المقاوم للصدأ |
| 5 | تعثر الترباس | 3 | البرونز |
إن DF-456 SS 3-DOG ARTHEDIGHTIGHT BOSS يوفر بناء الفولاذ المقاوم للصدأ الممتاز إلى حلول وصول خفيفة الوزن ، وهي مثالية للتطبيقات التي تكون فيها مقاومة التآكل والحد الأدنى من الصيانة من الأولويات. نظرًا لأن الصناعة البحرية تتبنى بشكل متزايد مكونات الفولاذ المقاوم للصدأ لبيئات المياه المالحة ، فإن هذه الفتحة توفر متانة استثنائية في تصميم مضغوط. بقياس 16 × 14 بوصة ويزن 85 رطلاً فقط ، يوفر DF-456 SS إمكانية الوصول إلى الأنظمة الإضافية ، والأجزاء الكهربائية ، وخزائن التخزين مع الحفاظ على سلامة ماء الماء. يوفر نظام الإغلاق المكون من ثلاثة أجسام عملية مبسطة دون المساس بأداء الختم في ظروف معتدلة.
مصنعة بالكامل من 316 من الفولاذ المقاوم للصدأ ، بما في ذلك الإطار والغطاء والكلاب والسحابات ، يوفر الفتحة مقاومة فائقة للتآكل وتآكل الشق في بيئات المياه المالحة. تخضع جميع المكونات لعلاج التخميل لتعزيز مقاومة التآكل ، مع الانتهاء من 2B التي توازن الجماليات مع المتانة العملية. هذا اختيار المواد يلغي مخاوف الصدأ ويمتد بشكل كبير فترات الصيانة.
يتم ترتيب الكلاب الثلاثة المصنوعة من الفولاذ المقاوم للصدأ الثلاثة في نمط ثلاثي لتوزيع ضغط الختم بشكل فعال عبر الفتحة المدمجة. يتميز كل كلب بمقبض تعديل كبير مع قفل إيجابي ، مما يسمح بصقل الضغط لاستيعاب حركة سطح السفينة. يعمل المقبض المركزي على تشغيل الكلاب الثلاثة في وقت واحد ، مما يؤدي إلى تبسيط العملية مقارنة بتصميمات الترباس الفردية.
مع الحد الأدنى من متطلبات عمق التثبيت البالغ 4 بوصات فقط ، يكون DF-456 SS مناسبًا للتثبيت في تطبيقات DECK TILP حيث تكون المساحة محدودة. يوفر الإطار المرتفع منخفضًا (1.5 بوصة فوق سطح السفينة) تصريفًا مناسبًا مع الحفاظ على إمكانية الوصول. يمكن تركيب الفتحة في كل من الاتجاهات الأفقية والرأسية دون المساس بالأداء.
316 يحتوي الفولاذ المقاوم للصدأ على الموليبدينوم ، والذي يوفر مقاومة متفوقة للتآكل الناجم عن الكلوريد مقارنة بـ 304 من الفولاذ المقاوم للصدأ ، مما يجعله مثاليًا لبيئات المياه المالحة. إنه يوفر حوالي 50 ٪ مقاومة تآكل أفضل في التطبيقات البحرية ، مما يمتد بشكل كبير عمر الخدمة في الظروف القاسية.
يخلق ترتيب الكلب الثلاثي ثلاث نقاط ضغط أولية توزع القوة بالتساوي عبر سطح الختم في فتحات أصغر. يعد هذا التكوين فعالًا بشكل خاص بالنسبة للباعات المدمجة حيث يتطلب المحيط المخفض نقاط ضغط أقل ولكن في وضع استراتيجي.
يحافظ DF-456 SS على أداء مانعة للماء عند الضغوط الهيدروستاتيكية حتى 2.5 رطل ، مناسبة لتطبيقات سطح السفينة والبنية الفوقية على السفن التي تعمل في بيئات ساحلية وخارجية حتى Sea State 4.
نعم ، تم تصميم آلية الإغلاق لتعمل بشكل موثوق في درجات حرارة تصل إلى -25 درجة مئوية (-13 درجة فهرنهايت) ، مع استخدام جميع الأجزاء المتحركة التي تستخدم البطانات المقاومة للتآكل التي تمنع التجمد والاستيلاء على البيئات الباردة.
قطعاً. إن بناء الفولاذ غير الخاضع للخلايا وحشيات السيليكون المعتمدة من FDA (عند تحديد) تجعل DF-456 SS مثاليًا للسفن التي تنقل المنتجات الغذائية أو مياه الشرب ، حيث تكون مقاومة النظافة والتآكل أمرًا بالغ الأهمية. الأسطح الملساء تسهل التنظيف والتطهير السهل.
ال DF-274-5 2 كلب مرفوع ماء ماء هو سطح السفينة البحرية الممتازة التي تم تصميمها من قبل Hee (Changshu Haichuan Engineering & Equipment Co. ، Ltd.) ، وهي شركة تصنيع رائدة في الصين متخصصة في المعدات البحرية والبحرية. تم تصميم هذه الفتحة لتلبية الحاجة الحاسمة لمقاومة موثوقة للمياه في البيئات البحرية القاسية ، بمثابة حاجز وقائي لفتحات سطح السفينة ، ومنع دخول المياه ، وتراكم الغبار ، والتآكل الذي قد يتسبب في إتلاف المكونات الداخلية للسفن أو المنصات الخارجية أو البنية التحتية للموانئ.