ال DF-274-5 2 كلب مرفوع ماء ماء هو سطح السفينة البحرية الممتازة التي تم تصميمها من قبل Hee (Changshu Haichuan Engineering & Equipment Co. ، Ltd.) ، وهي شركة تصنيع رائدة في الصين متخصصة في المعدات البحرية والبحرية. تم تصميم هذه الفتحة لتلبية الحاجة الحاسمة لمقاومة موثوقة للمياه في البيئات البحرية القاسية ، بمثابة حاجز وقائي لفتحات سطح السفينة ، ومنع دخول المياه ، وتراكم الغبار ، والتآكل الذي قد يتسبب في إتلاف المكونات الداخلية للسفن أو المنصات الخارجية أو البنية التحتية للموانئ.
| توافر الحالة: | |
|---|---|
| الكمية: | |
DF-274-5
DF-274-5 2 كلب مرفوع ماء ماء
على عكس حلول الفقس العام ، يدمج DF-274-5 البناء القوي مع التصميم المتمحور حول المستخدم ، مما يجعله مناسبًا لكل من التطبيقات التجارية والصناعية. بدعم من عقود من الخبرة في التصنيع في هي ، تلتزم الفتحة بمعايير الجودة الدولية وتخضع للاختبار الصارم للأداء لضمان الاتساق. يعزز هيكلها المرتفع التوافق مع أسطح سطح السفينة غير المتكافئة ، في حين أن آلية قفل الكلاب المزدوجة تبسط العملية-حتى في السيناريوهات عالية الإجهاد. بالنسبة للعملاء العالميين ، يقدم HEE التسليم في الوقت المناسب والتخصيص المصمم خصيصًا ، مما يزيد من ترسيخ DF-274-5 2 DACK HACK كخيار أفضل للمهندسين البحريين ومديري المشاريع.
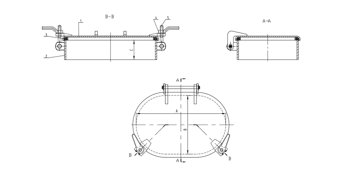
تعتبر الدقة في الأبعاد أمرًا بالغ الأهمية لتكامل سطح السفينة السلس ، وتم تصميم DF-274-5 لتلبية المعايير الصارمة. يحدد الجدول أدناه معلماته المادية الأساسية:
نموذج لا. | (الطول) | ب (العرض) | ج (الارتفاع) | بالوزن. (وزن) |
DF-274-5 | 23 ' | 15 ' | 5 ' | 90 رطلا |
يتم اختيار كل عنصر من مكونات DF-274-5 2 الفتحة التي تربى على الماء من أجل المتانة ومقاومة التآكل البحري المحدد. يوضح الجدول أدناه مواصفات المواد ، في حين أن اختبار الأداء يتحقق من صحة مطالبات محكم الماء:
الاسم والمواصفات | كمية | مادة |
غطاء (أعلى هاتش) | 1 | STEEL |
Coaming (إطار سطح السفينة) | 1 | STEEL |
حشية ختم | 1 | النيوبرين |
مقبض الكلاب (قفل) | 2 | الحديد الزهر |
صراخ تعثر (قفل) | 2 | البرونز |
لضمان أداء محكم الماء غير المؤكد ، يخضع DF-274-5 للاختبار الإلزامي للتسرب عند ضغط قدره 0.04 ميجا باسكال -متزايد من معايير الصناعة لمقاومة المياه في تجهيزات سطح السفينة البحرية. يحاكي هذا الاختبار المطر الغزير ، وبقع الموجة ، وظروف الرطوبة العالية ، مما يضمن عدم تغلغل المياه عندما يتم تأمين الفتحة بشكل صحيح.
تكمن الميزة الرئيسية في في Hatch في DF-274-5 2 إمكانية ختمها الاستثنائية. يحمل حشية النيوبرين - وهو مطاط صناعي مشهور للمرونة والمقاومة الكيميائية - ختمًا ضيقًا بين غطاء الفولاذ والتسخين. على عكس الحشيات الصلبة ، يتكيف النيوبرين مع اهتزازات سطح السفينة البسيطة أو التمدد الحراري ، مما يزيل الفجوات التي تسبب التسريبات. تعمل مقابض الكلاب المزدوجة من الحديد الزهر جنبا إلى جنب مع البراغي السفلية البرونزية لتوزيع الضغط بالتساوي عبر الحشية ، مما يضمن ختم ثابت حتى بعد الاستخدام المتكرر. هذا التصميم يجعل الفتحة مثالية للمناطق المعرضة للمياه المالحة أو هطول الأمطار الغزيرة أو الرطوبة العالية.
تتطلب البيئات البحرية مواد تحمل المياه المالحة ، والأكسدة ، والتأثير- ويقدم DF-274-5 على هذه الجبهة. يوفر الغطاء الفولاذي والتسخين صلابة هيكلية للتعامل مع الأحمال الثقيلة (على سبيل المثال ، حركة المرور على الأقدام ، وضع المعدات) دون الانحناء أو التكسير. البراغي البراغي البرونزية تقاوم الصدأ والتآكل الكلفاني ، وهي مشكلة شائعة مع السحابات الفولاذية في المياه المالحة. وفي الوقت نفسه ، توفر مقابض الكلب من الحديد الزهر مقاومة تآكل فائقة ، مما يضمن التشغيل السلس لسنوات دون تشوه. بالنسبة للعملاء في البيئات المتطرفة (على سبيل المثال ، منصات النفط في الخارج) ، توفر HEE تشطيبًا مجلفنًا مختارًا أو مصنوعًا من الفولاذ المقاوم للصدأ لزيادة تعزيز مقاومة التآكل.
تم تصميم DF -274-5 لسهولة الاستخدام ، حتى في المساحات الضيقة أو سيناريوهات الطوارئ. تتميز مقابض الكلاب بقبضة غير قابلة للانزلاق ، مما يسمح للمشغلين بإغلاق/فتح الفتحة بسرعة-لا توجد أدوات متخصصة مطلوبة. على عكس الفواعات المتعددة البولت التي تتطلب تشديدًا متسلسلًا ، فإن آلية Dual Dog تقلل من وقت التشغيل بنسبة 50 ٪ ، وهي فائدة حاسمة أثناء الإصلاحات العاجلة أو تحميل الشحن. بالإضافة إلى ذلك ، يقلل بنية المكون البسيطة في الفتحة الصيانة: من السهل استبدال حشية النيوبرين ، وتتطلب قطع الغيار الفولاذية/البرونزية فقط تنظيفًا عرضيًا للحفاظ على الأداء.
تدرك HEE أن كل مشروع بحري لديه متطلبات فريدة ، وبالتالي فإن DF-274-5 2 DACK HACK FOLCHATCH يوفر حلولًا مخصصة. إلى جانب بناء الفولاذ القياسي ، يمكن للعملاء اختيار الفولاذ المقاوم للصدأ (316 لتر) لمقاومة التآكل الشديدة (على سبيل المثال ، البيئات البحرية الاستوائية) أو الجلفان الساخن المقطوع لحماية الصدأ الفعالة من حيث التكلفة. يتوفر تخصيص الارتفاع أيضًا: يمكن ضبط Coaming القياسي 5 'لتناسب فتحات سطح السفينة من أعماق متفاوتة ، مما يضمن التكامل السلس مع البنية التحتية الحالية.
DF -274-5 هو عنصر أساسي لسفن الشحن والعبارات ووعاء الصيد. يتم تثبيته عادةً على فتحات سطح السفينة التي تؤدي إلى شحنات أسفل الطبق أو غرف المحرك أو أرباع الطاقم-معدات حساسة (على سبيل المثال ، الأنظمة الكهربائية ، خزانات الوقود) من تلف المياه خلال البحار القاسية. توازن وزنها 90 رطلا من المتانة وقابلية النقل ، مما يجعلها مناسبة للأوعية متوسطة الحجم حيث تنطبق قيود الوزن.
تعمل المنصات الخارجية في بعض من أقسى البيئات ، لذلك تم تصميم فتحة الكلاب DF-274-5 2 التي يتم رفعها للماء لتحمل رذاذ الملح والرياح العاتية وتقلبات درجة الحرارة. يتم استخدامه لإغلاق الفتحات على مهاوي الصيانة ، مقصورات التخزين ، وغرف التحكم - إعادة التآكل للبنية التحتية الحرجة (على سبيل المثال ، خطوط الأنابيب ، الصمامات). يوصى بشدة ببناء الفولاذ المقاوم للصدأ الاختياري لهذه التطبيقات ، حيث يمتد عمر الفتحة لمدة 3-5 سنوات مقارنة بالصلب القياسي.
تتطلب الموانئ والأرصفة البوابات التي يمكنها التعامل مع حركة المرور الثقيلة ، وحركة المعدات ، والتعرض لمياه المد والجزر. يدعم الغطاء الصلب DF-274-5 أحمالًا يصل إلى 500 رطل ، مما يجعله مثاليًا للتثبيت على طوابق قفص الاتهام أو خلجان تحميل المستودعات أو أنفاق الصيانة. يحمي تصميمها المحكم أيضًا المرافق تحت الأرض (على سبيل المثال ، الكابلات الكهربائية ، أنابيب المياه) من الفيضانات أثناء المد والجزر العالية أو الأمطار الغزيرة.
غالبًا ما تتطلب الحاويات متعددة الوسائط (على سبيل المثال ، حاويات الشحن ، وحدات شحن السكك الحديدية) نقرات للوصول إلى التخزين الداخلي. يمنع هيكل DF-274-5 المرفق المياه من التجميع على الغلاف ، وهي مشكلة شائعة مع فتحات التدفق التي تؤدي إلى التسرب. يتم استخدامه لإغلاق الفتحات على الحاويات المبردة (الشعاب المرجانية) أو حاويات المواد الخطرة ، وضمان البضائع (على سبيل المثال ، الطعام ، والمواد الكيميائية) لا تزال محمية من الرطوبة والتلوث أثناء النقل.
Hee (Changshu Haichuan Engineering & Equipment Co. ، Ltd.) تقدم الدعم الشامل لتفتحة ماء DF-274-5 2 . يستفيد العملاء من:
· استشارة ما قبل البيع: يساعد مهندسو Hee في توصيات التحقق من الأبعاد وتخصيصها لضمان الفتحة التي تناسب احتياجات المشروع المحددة.
· التسليم العالمي: الشحن في الوقت المناسب إلى أكثر من 50 دولة ، مع خيارات عاجلة للمشاريع العاجلة.
· خدمة ما بعد البيع: تتوفر قطع الغيار البديلة (على سبيل المثال ، حشوات النيوبرين ، البراغي البرونزية) للتسليم السريع ، تقليل وقت التوقف.
DF-274-5 2 كلب مرفوع ماء ماء
على عكس حلول الفقس العام ، يدمج DF-274-5 البناء القوي مع التصميم المتمحور حول المستخدم ، مما يجعله مناسبًا لكل من التطبيقات التجارية والصناعية. بدعم من عقود من الخبرة في التصنيع في هي ، تلتزم الفتحة بمعايير الجودة الدولية وتخضع للاختبار الصارم للأداء لضمان الاتساق. يعزز هيكلها المرتفع التوافق مع أسطح سطح السفينة غير المتكافئة ، في حين أن آلية قفل الكلاب المزدوجة تبسط العملية-حتى في السيناريوهات عالية الإجهاد. بالنسبة للعملاء العالميين ، يقدم HEE التسليم في الوقت المناسب والتخصيص المصمم خصيصًا ، مما يزيد من ترسيخ DF-274-5 2 DACK HACK كخيار أفضل للمهندسين البحريين ومديري المشاريع.
تعتبر الدقة في الأبعاد أمرًا بالغ الأهمية لتكامل سطح السفينة السلس ، وتم تصميم DF-274-5 لتلبية المعايير الصارمة. يحدد الجدول أدناه معلماته المادية الأساسية:
نموذج لا. | (الطول) | ب (العرض) | ج (الارتفاع) | بالوزن. (وزن) |
DF-274-5 | 23 ' | 15 ' | 5 ' | 90 رطلا |
يتم اختيار كل عنصر من مكونات DF-274-5 2 الفتحة التي تربى على الماء من أجل المتانة ومقاومة التآكل البحري المحدد. يوضح الجدول أدناه مواصفات المواد ، في حين أن اختبار الأداء يتحقق من صحة مطالبات محكم الماء:
الاسم والمواصفات | كمية | مادة |
غطاء (أعلى هاتش) | 1 | STEEL |
Coaming (إطار سطح السفينة) | 1 | STEEL |
حشية ختم | 1 | النيوبرين |
مقبض الكلاب (قفل) | 2 | الحديد الزهر |
صراخ تعثر (قفل) | 2 | البرونز |
لضمان أداء محكم الماء غير المؤكد ، يخضع DF-274-5 للاختبار الإلزامي للتسرب عند ضغط قدره 0.04 ميجا باسكال -متزايد من معايير الصناعة لمقاومة المياه في تجهيزات سطح السفينة البحرية. يحاكي هذا الاختبار المطر الغزير ، وبقع الموجة ، وظروف الرطوبة العالية ، مما يضمن عدم تغلغل المياه عندما يتم تأمين الفتحة بشكل صحيح.
تكمن الميزة الرئيسية في في Hatch في DF-274-5 2 إمكانية ختمها الاستثنائية. يحمل حشية النيوبرين - وهو مطاط صناعي مشهور للمرونة والمقاومة الكيميائية - ختمًا ضيقًا بين غطاء الفولاذ والتسخين. على عكس الحشيات الصلبة ، يتكيف النيوبرين مع اهتزازات سطح السفينة البسيطة أو التمدد الحراري ، مما يزيل الفجوات التي تسبب التسريبات. تعمل مقابض الكلاب المزدوجة من الحديد الزهر جنبا إلى جنب مع البراغي السفلية البرونزية لتوزيع الضغط بالتساوي عبر الحشية ، مما يضمن ختم ثابت حتى بعد الاستخدام المتكرر. هذا التصميم يجعل الفتحة مثالية للمناطق المعرضة للمياه المالحة أو هطول الأمطار الغزيرة أو الرطوبة العالية.
تتطلب البيئات البحرية مواد تحمل المياه المالحة ، والأكسدة ، والتأثير- ويقدم DF-274-5 على هذه الجبهة. يوفر الغطاء الفولاذي والتسخين صلابة هيكلية للتعامل مع الأحمال الثقيلة (على سبيل المثال ، حركة المرور على الأقدام ، وضع المعدات) دون الانحناء أو التكسير. البراغي البراغي البرونزية تقاوم الصدأ والتآكل الكلفاني ، وهي مشكلة شائعة مع السحابات الفولاذية في المياه المالحة. وفي الوقت نفسه ، توفر مقابض الكلب من الحديد الزهر مقاومة تآكل فائقة ، مما يضمن التشغيل السلس لسنوات دون تشوه. بالنسبة للعملاء في البيئات المتطرفة (على سبيل المثال ، منصات النفط في الخارج) ، توفر HEE تشطيبًا مجلفنًا مختارًا أو مصنوعًا من الفولاذ المقاوم للصدأ لزيادة تعزيز مقاومة التآكل.
تم تصميم DF -274-5 لسهولة الاستخدام ، حتى في المساحات الضيقة أو سيناريوهات الطوارئ. تتميز مقابض الكلاب بقبضة غير قابلة للانزلاق ، مما يسمح للمشغلين بإغلاق/فتح الفتحة بسرعة-لا توجد أدوات متخصصة مطلوبة. على عكس الفواعات المتعددة البولت التي تتطلب تشديدًا متسلسلًا ، فإن آلية Dual Dog تقلل من وقت التشغيل بنسبة 50 ٪ ، وهي فائدة حاسمة أثناء الإصلاحات العاجلة أو تحميل الشحن. بالإضافة إلى ذلك ، يقلل بنية المكون البسيطة في الفتحة الصيانة: من السهل استبدال حشية النيوبرين ، وتتطلب قطع الغيار الفولاذية/البرونزية فقط تنظيفًا عرضيًا للحفاظ على الأداء.
تدرك HEE أن كل مشروع بحري لديه متطلبات فريدة ، وبالتالي فإن DF-274-5 2 DACK HACK FOLCHATCH يوفر حلولًا مخصصة. إلى جانب بناء الفولاذ القياسي ، يمكن للعملاء اختيار الفولاذ المقاوم للصدأ (316 لتر) لمقاومة التآكل الشديدة (على سبيل المثال ، البيئات البحرية الاستوائية) أو الجلفان الساخن المقطوع لحماية الصدأ الفعالة من حيث التكلفة. يتوفر تخصيص الارتفاع أيضًا: يمكن ضبط Coaming القياسي 5 'لتناسب فتحات سطح السفينة من أعماق متفاوتة ، مما يضمن التكامل السلس مع البنية التحتية الحالية.
DF -274-5 هو عنصر أساسي لسفن الشحن والعبارات ووعاء الصيد. يتم تثبيته عادةً على فتحات سطح السفينة التي تؤدي إلى شحنات أسفل الطبق أو غرف المحرك أو أرباع الطاقم-معدات حساسة (على سبيل المثال ، الأنظمة الكهربائية ، خزانات الوقود) من تلف المياه خلال البحار القاسية. توازن وزنها 90 رطلا من المتانة وقابلية النقل ، مما يجعلها مناسبة للأوعية متوسطة الحجم حيث تنطبق قيود الوزن.
تعمل المنصات الخارجية في بعض من أقسى البيئات ، لذلك تم تصميم فتحة الكلاب DF-274-5 2 التي يتم رفعها للماء لتحمل رذاذ الملح والرياح العاتية وتقلبات درجة الحرارة. يتم استخدامه لإغلاق الفتحات على مهاوي الصيانة ، مقصورات التخزين ، وغرف التحكم - إعادة التآكل للبنية التحتية الحرجة (على سبيل المثال ، خطوط الأنابيب ، الصمامات). يوصى بشدة ببناء الفولاذ المقاوم للصدأ الاختياري لهذه التطبيقات ، حيث يمتد عمر الفتحة لمدة 3-5 سنوات مقارنة بالصلب القياسي.
تتطلب الموانئ والأرصفة البوابات التي يمكنها التعامل مع حركة المرور الثقيلة ، وحركة المعدات ، والتعرض لمياه المد والجزر. يدعم الغطاء الصلب DF-274-5 أحمالًا يصل إلى 500 رطل ، مما يجعله مثاليًا للتثبيت على طوابق قفص الاتهام أو خلجان تحميل المستودعات أو أنفاق الصيانة. يحمي تصميمها المحكم أيضًا المرافق تحت الأرض (على سبيل المثال ، الكابلات الكهربائية ، أنابيب المياه) من الفيضانات أثناء المد والجزر العالية أو الأمطار الغزيرة.
غالبًا ما تتطلب الحاويات متعددة الوسائط (على سبيل المثال ، حاويات الشحن ، وحدات شحن السكك الحديدية) نقرات للوصول إلى التخزين الداخلي. يمنع هيكل DF-274-5 المرفق المياه من التجميع على الغلاف ، وهي مشكلة شائعة مع فتحات التدفق التي تؤدي إلى التسرب. يتم استخدامه لإغلاق الفتحات على الحاويات المبردة (الشعاب المرجانية) أو حاويات المواد الخطرة ، وضمان البضائع (على سبيل المثال ، الطعام ، والمواد الكيميائية) لا تزال محمية من الرطوبة والتلوث أثناء النقل.
Hee (Changshu Haichuan Engineering & Equipment Co. ، Ltd.) تقدم الدعم الشامل لتفتحة ماء DF-274-5 2 . يستفيد العملاء من:
· استشارة ما قبل البيع: يساعد مهندسو Hee في توصيات التحقق من الأبعاد وتخصيصها لضمان الفتحة التي تناسب احتياجات المشروع المحددة.
· التسليم العالمي: الشحن في الوقت المناسب إلى أكثر من 50 دولة ، مع خيارات عاجلة للمشاريع العاجلة.
· خدمة ما بعد البيع: تتوفر قطع الغيار البديلة (على سبيل المثال ، حشوات النيوبرين ، البراغي البرونزية) للتسليم السريع ، تقليل وقت التوقف.
ال DF-274-5 2 كلب مرفوع ماء ماء هو سطح السفينة البحرية الممتازة التي تم تصميمها من قبل Hee (Changshu Haichuan Engineering & Equipment Co. ، Ltd.) ، وهي شركة تصنيع رائدة في الصين متخصصة في المعدات البحرية والبحرية. تم تصميم هذه الفتحة لتلبية الحاجة الحاسمة لمقاومة موثوقة للمياه في البيئات البحرية القاسية ، بمثابة حاجز وقائي لفتحات سطح السفينة ، ومنع دخول المياه ، وتراكم الغبار ، والتآكل الذي قد يتسبب في إتلاف المكونات الداخلية للسفن أو المنصات الخارجية أو البنية التحتية للموانئ.