ال DF-144 5 فتحة كلب واحد يفي بدور متخصص في العمليات البحرية ، مما يوفر وصولًا دقيقًا لقياس المستوى السائل وفحص الخزانات.
| توافر الحالة: | |
|---|---|
| الكمية: | |
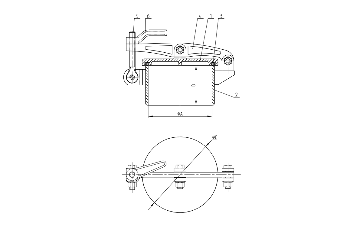
DF-144-5
DF-144-5 فتحة كلب واحد
نموذج لا. | φa | B | φc | بالوزن (رطل) |
| DF-144-5 | 8 1/16 ' | 7/8 ' | 9 1/2 ' | 38 |
| لا. | الاسم والمواصفات | كتي | مادة |
| 1 | غطاء | 1 | يلقي الصلب |
| 2 | coaming | 1 | STEEL |
| 3 | حشية | 1 | النيوبرين |
| 4 | ذراع | 1 | يلقي الصلب |
| 5 | تعثر الترباس | 1 | غير القابل للصدأ |
| 6 | مقبض الكلاب | 1 | الحديد الزهر |
اختبار التسرب: الضغط 0.04mpa
وتشمل الإضافات الاختيارية الأخرى: حار غطس مجلفن ، بناء الفولاذ المقاوم للصدأ ، وارتفاع المخصص
على عكس البوابات ذات الأغراض العامة ، يعطي هذا التصميم الأولوية للوصول إلى خزانات التخزين ، وحاملات الشحن ، وخزانات السوائل على سفن مختلفة. يوفر نظام الإغلاق المدمج أحادي الكبد تشغيلًا سريعًا وخالي من الأدوات مع الحفاظ على سلامة الختم اللازمة لمناطق الاحتواء السائلة. نظرًا لأن اللوائح البحرية تؤكد على بروتوكولات قياس وسلامة البضائع الدقيقة ، فقد أصبح هذا الفتحة العالية مكونًا أساسيًا في عمليات الناقلات والنقل السائل بالجملة.
مُحسّن لقياس المستوى السائل ، يتميز الفتحة بصمة مضغوطة تقلل من التعرض للدبابات مع توفير وصول كاف لأدوات القياس ومعدات التفتيش. تم تصميم حجم الافتتاح لاستيعاب أشرطة Ullage القياسية وأجهزة أخذ العينات وتحقيقات المستشعر المستخدمة في إجراءات التحقق من البضائع.
يتيح مزلاج الكلاب المريحة المريحة عملية بيد واحدة ، مما يتيح الوصول السريع أثناء عمليات فحص القياس الروتيني. على الرغم من تشغيله المبسط ، يخلق نظام الإغلاق ضغطًا مناسبًا للحفاظ على ختم محكم السائل عند إغلاقه ، مما يمنع هروب البخار والتلوث. يشتمل المقبض على مؤشر مرئي يوضح الحالة المقفلة/غير المؤمنة.
تم إنشاؤها بمواد متوافقة مع أنواع مختلفة من الشحن بما في ذلك المنتجات البترولية والمواد الكيميائية ومياه الشرب. تتوفر حشية الختم في مركبات متخصصة لمقاومة التدهور الكيميائي عند استخدامها مع مواد عدوانية. تستخدم جميع المكونات المبللة مواد غير تفاعلية لمنع تلوث البضائع أو تدهور المنتج.
يتم استخدامه بشكل أساسي في أوعية الناقلات والشركات الكيميائية ، يوفر فتحة Ullage هذه الوصول إلى خزانات التخزين السائلة لقياس المستوى وأخذ العينات والتفتيش. يتم تثبيته بشكل شائع على مقصورات تخزين الوقود من السفن التجارية والمنصات الخارجية. تم العثور على التصميم أيضًا على أوعية نقل المشروبات وخزانات المياه حيث يكون الحفاظ على نقاء المنتج أمرًا ضروريًا. تستخدم السفن البحرية هذه البوابات لمراقبة احتياطيات الوقود والمياه مع الحفاظ على احتواء آمن.
تم تصميم فتحة Ullage خصيصًا للوصول إلى خزانات التخزين السائلة لقياس المساحة الفارغة ( 'Ullage ') في الجزء العلوي من الخزان ، وهو أمر بالغ الأهمية لتحديد أحجام الشحن. على عكس فتحات Access العامة ، فإنه يتميز بفتحة أصغر محسّنة لأدوات القياس بدلاً من الوصول إلى الموظفين.
نعم ، عند تحديد مواد الحشية المناسبة وخيارات البناء ، يلبي DF-144 5 المتطلبات التنظيمية لاحتواء المواد الخطرة. يمكن تكوينها للتعامل مع المواد القابلة للاشتعال ، والتآكل ، والمواد السامة التي يتم نقلها عادة في الأوعية البحرية.
يطبق الكلب الدقيق للهندسة ضغطًا مركّزًا عند النقطة المثلى على حشية الختم. على الرغم من أقل من التصميمات متعددة الكلاب ، فإن وضع الكلب المفرد والرافعة المالية يخلق ضغطًا كافيًا للأداء السائل في تطبيقات الخزانات غير الضغفية.
يجب فحص سطح الختم بانتظام بسبب الحطام الذي يمكن أن يضر بالختم. يجب استبدال الحشية سنويًا أو كلما ظهرت علامات التآكل. يجب أن تبقى فتحة القياس نظيفة لضمان قراءات دقيقة ومنع التلوث.
نعم ، يمكن تكييف الفتحة لاستيعاب منشآت المستشعرات الدائمة مع الحفاظ على الوظيفة الأصلية للقسوة. تسمح التركيبات الاختيارية بالتكامل مع أنظمة قياس Ullage الآلية للمراقبة عن بُعد لمستويات الخزان.
DF-144-5 فتحة كلب واحد
نموذج لا. | φa | B | φc | بالوزن (رطل) |
| DF-144-5 | 8 1/16 ' | 7/8 ' | 9 1/2 ' | 38 |
| لا. | الاسم والمواصفات | كتي | مادة |
| 1 | غطاء | 1 | يلقي الصلب |
| 2 | coaming | 1 | STEEL |
| 3 | حشية | 1 | النيوبرين |
| 4 | ذراع | 1 | يلقي الصلب |
| 5 | تعثر الترباس | 1 | غير القابل للصدأ |
| 6 | مقبض الكلاب | 1 | الحديد الزهر |
اختبار التسرب: الضغط 0.04mpa
وتشمل الإضافات الاختيارية الأخرى: حار غطس مجلفن ، بناء الفولاذ المقاوم للصدأ ، وارتفاع المخصص
على عكس البوابات ذات الأغراض العامة ، يعطي هذا التصميم الأولوية للوصول إلى خزانات التخزين ، وحاملات الشحن ، وخزانات السوائل على سفن مختلفة. يوفر نظام الإغلاق المدمج أحادي الكبد تشغيلًا سريعًا وخالي من الأدوات مع الحفاظ على سلامة الختم اللازمة لمناطق الاحتواء السائلة. نظرًا لأن اللوائح البحرية تؤكد على بروتوكولات قياس وسلامة البضائع الدقيقة ، فقد أصبح هذا الفتحة العالية مكونًا أساسيًا في عمليات الناقلات والنقل السائل بالجملة.
مُحسّن لقياس المستوى السائل ، يتميز الفتحة بصمة مضغوطة تقلل من التعرض للدبابات مع توفير وصول كاف لأدوات القياس ومعدات التفتيش. تم تصميم حجم الافتتاح لاستيعاب أشرطة Ullage القياسية وأجهزة أخذ العينات وتحقيقات المستشعر المستخدمة في إجراءات التحقق من البضائع.
يتيح مزلاج الكلاب المريحة المريحة عملية بيد واحدة ، مما يتيح الوصول السريع أثناء عمليات فحص القياس الروتيني. على الرغم من تشغيله المبسط ، يخلق نظام الإغلاق ضغطًا مناسبًا للحفاظ على ختم محكم السائل عند إغلاقه ، مما يمنع هروب البخار والتلوث. يشتمل المقبض على مؤشر مرئي يوضح الحالة المقفلة/غير المؤمنة.
تم إنشاؤها بمواد متوافقة مع أنواع مختلفة من الشحن بما في ذلك المنتجات البترولية والمواد الكيميائية ومياه الشرب. تتوفر حشية الختم في مركبات متخصصة لمقاومة التدهور الكيميائي عند استخدامها مع مواد عدوانية. تستخدم جميع المكونات المبللة مواد غير تفاعلية لمنع تلوث البضائع أو تدهور المنتج.
يتم استخدامه بشكل أساسي في أوعية الناقلات والشركات الكيميائية ، يوفر فتحة Ullage هذه الوصول إلى خزانات التخزين السائلة لقياس المستوى وأخذ العينات والتفتيش. يتم تثبيته بشكل شائع على مقصورات تخزين الوقود من السفن التجارية والمنصات الخارجية. تم العثور على التصميم أيضًا على أوعية نقل المشروبات وخزانات المياه حيث يكون الحفاظ على نقاء المنتج أمرًا ضروريًا. تستخدم السفن البحرية هذه البوابات لمراقبة احتياطيات الوقود والمياه مع الحفاظ على احتواء آمن.
تم تصميم فتحة Ullage خصيصًا للوصول إلى خزانات التخزين السائلة لقياس المساحة الفارغة ( 'Ullage ') في الجزء العلوي من الخزان ، وهو أمر بالغ الأهمية لتحديد أحجام الشحن. على عكس فتحات Access العامة ، فإنه يتميز بفتحة أصغر محسّنة لأدوات القياس بدلاً من الوصول إلى الموظفين.
نعم ، عند تحديد مواد الحشية المناسبة وخيارات البناء ، يلبي DF-144 5 المتطلبات التنظيمية لاحتواء المواد الخطرة. يمكن تكوينها للتعامل مع المواد القابلة للاشتعال ، والتآكل ، والمواد السامة التي يتم نقلها عادة في الأوعية البحرية.
يطبق الكلب الدقيق للهندسة ضغطًا مركّزًا عند النقطة المثلى على حشية الختم. على الرغم من أقل من التصميمات متعددة الكلاب ، فإن وضع الكلب المفرد والرافعة المالية يخلق ضغطًا كافيًا للأداء السائل في تطبيقات الخزانات غير الضغفية.
يجب فحص سطح الختم بانتظام بسبب الحطام الذي يمكن أن يضر بالختم. يجب استبدال الحشية سنويًا أو كلما ظهرت علامات التآكل. يجب أن تبقى فتحة القياس نظيفة لضمان قراءات دقيقة ومنع التلوث.
نعم ، يمكن تكييف الفتحة لاستيعاب منشآت المستشعرات الدائمة مع الحفاظ على الوظيفة الأصلية للقسوة. تسمح التركيبات الاختيارية بالتكامل مع أنظمة قياس Ullage الآلية للمراقبة عن بُعد لمستويات الخزان.
ال DF-274-5 2 كلب مرفوع ماء ماء هو سطح السفينة البحرية الممتازة التي تم تصميمها من قبل Hee (Changshu Haichuan Engineering & Equipment Co. ، Ltd.) ، وهي شركة تصنيع رائدة في الصين متخصصة في المعدات البحرية والبحرية. تم تصميم هذه الفتحة لتلبية الحاجة الحاسمة لمقاومة موثوقة للمياه في البيئات البحرية القاسية ، بمثابة حاجز وقائي لفتحات سطح السفينة ، ومنع دخول المياه ، وتراكم الغبار ، والتآكل الذي قد يتسبب في إتلاف المكونات الداخلية للسفن أو المنصات الخارجية أو البنية التحتية للموانئ.