اختبار التسرب: الضغط 0.04mpa
وتشمل الإضافات الاختيارية الأخرى: حار غطس مجلفن ، بناء الفولاذ المقاوم للصدأ ، وارتفاع المخصص
| توافر الحالة: | |
|---|---|
| الكمية: | |
DF-403-20
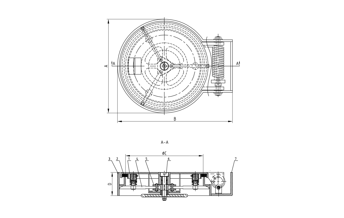
إن HEE DF-403-20 Flush Watertight Quick Acting Escape Hatch عبارة عن مكون متخصص للسلامة البحرية مصمم لأحواض بناء السفن وأصحاب السفن ومشغلي المنصات البحرية ومقاولي الهندسة البحرية. تم تصميم هذه خصيصًا لسيناريوهات الهروب في حالات الطوارئ على السفن والمرافق البحرية، فتحة الهروب سريعة المفعول المقاومة للماء وتتميز بهيكل مثبت على السطح موفر للمساحة، وأداء موثوق ضد الماء، وآلية فتح سريعة المفعول بخطوة واحدة، مما يضمن الإخلاء السريع في حالات الطوارئ حتى في البيئات البحرية القاسية. تم تصنيع الفتحة من مكونات أساسية من الفولاذ والفولاذ المقاوم للصدأ، وقد اجتازت اختبار التسرب بمقدار 0.04 ميجا باسكال، مما يلبي معايير السلامة البحرية الصارمة، مع تكوينات مخصصة اختيارية للتكيف مع متطلبات السفن والمشاريع البحرية المتنوعة.
المعلمة | مواصفة |
رقم النموذج | DF-403-20 |
البعد الكلي أ | 24 1/8' |
البعد الكلي ب | 29 5/8' |
مسح قطر الافتتاح ΦC | 20 ' |
ارتفاع الكومة د | 6 ' |
وزن الوحدة | 300 رطل |
ضغط اختبار ماء | 0.04 ميجا باسكال |
مادة غطاء الفتحة القياسية | فُولاَذ |
مادة حشية الختم القياسية | النيوبرين |
مواد مكونات القفل الأساسية | الفولاذ المقاوم للصدأ |
تتبنى فتحة الهروب البحرية المقاومة للماء هيكلًا مثبتًا بالكامل، والذي لا يبرز من سطح السفينة أو سطح الحاجز بعد التثبيت، مما يوفر مساحة قيمة للسفينة، ويتجنب مخاطر التعثر، ويتكيف مع مناطق المقصورة والسطح الضيقة.
بفضل حشية الغلق المصنوعة من النيوبرين عالية المرونة وهيكل القفل الموحد متعدد النقاط، تحافظ الفتحة على أداء مستقر ضد الماء تحت ضغط ماء يبلغ 0.04 ميجا باسكال، مما يمنع دخول الماء في سيناريوهات الفيضانات الطارئة، ويتوافق مع لوائح السلامة البحرية الدولية.
تتميز فتحة الهروب في حالات الطوارئ سريعة المفعول للسفن بنظام قفل دوار مركزي، مما يتيح الفتح الكامل أو القفل في ثانية واحدة بعملية واحدة، ويمكن الوصول إليها من الداخل والخارج، مما يضمن إخلاء أفراد الطاقم في حالات الطوارئ دون عائق.
الهيكل الرئيسي مصنوع من الفولاذ عالي القوة، مع جميع مكونات القفل والدوران الأساسية مصنوعة من الفولاذ المقاوم للصدأ، مما يوفر مقاومة استثنائية للصدمات، ومقاومة للتآكل بسبب رش الملح، ومتانة طويلة الأمد في البيئات البحرية القاسية، مما يقلل من تكرار الصيانة وتكاليفها.
تشمل الترقيات الاختيارية تشطيبًا مجلفنًا بالغمس الساخن، وبنية كاملة من الفولاذ المقاوم للصدأ، وارتفاعات مخصصة للتجويف، تتكيف مع أنواع السفن المختلفة، والمنصات البحرية، والمتطلبات الخاصة بالمشروع.
تعمل من فتحة الهروب السريعة المفعول Flush Watertight خلال نظام قفل دوار مركزي. يقوم العمود المركزي بتشغيل مجموعة الكتلة الدوارة و3 أذرع للكلاب من الفولاذ المقاوم للصدأ لتحقيق قفل وتحرير متزامن متعدد النقاط. عندما يتم تدوير آلية التشغيل، تتفاعل أذرع الكلاب مع مقاعد القفل المجوفة، وتطبق قوة ضغط موحدة على حشية النيوبرين بين غطاء الفتحة والتجويف، وتشكل ختمًا مستمرًا مانعًا لتسرب الماء وخاليًا من الفجوات لمنع اختراق الماء. في سيناريوهات الطوارئ، يمكن تحرير الآلية بسرعة من الجانبين الداخلي والخارجي، مع هيكل المفصلات الذي يتيح فتح غطاء الفتحة بسلاسة، مما يوفر فتحة واضحة بدون عائق مقاس 20 بوصة للهروب في حالات الطوارئ.
قبل التثبيت، تأكد من أن حجم فتحة السطح أو الحاجز يتطابق مع أبعاد فتحة الفتحة، وافحص غطاء الفتحة وحشية الغلق وآلية القفل بحثًا عن أي تلف أو تشوه أثناء النقل.
قم بلحام التجاويف على السطح أو الحاجز باستخدام لحام موحد، مما يضمن أن يكون سطح التجوية مستويًا وخاليًا من التشوه لتجنب الضغط غير المتساوي لحشية الختم. بعد اللحام، قم بإزالة خبث اللحام وتطبيق معالجة مضادة للتآكل على منطقة اللحام.
افحص حشية الختم المصنوعة من النيوبرين بحثًا عن التقادم أو التشقق أو التآكل كل 3 أشهر، واستبدلها على الفور في حالة تلفها. قم بتشحيم مكونات الدوران والقفل المصنوعة من الفولاذ المقاوم للصدأ كل 6 أشهر، وقم بإجراء اختبار ضغط مانع لتسرب الماء سنويًا لضمان الأداء في حالات الطوارئ.
لقد اجتازت الفتحة اختبارًا صارمًا للتسرب المقاوم للماء بمقدار 0.04 ميجا باسكال، مما يلبي متطلبات الأداء المقاوم للماء لتركيبات سطح السفينة البحرية والحواجز.
نعم، تدعم آلية العمل السريع التشغيل ثنائي الاتجاه من كلا الجانبين الداخلي والخارجي، مما يضمن الهروب في حالات الطوارئ دون عائق ووصول الإنقاذ الخارجي.
يستخدم التكوين القياسي الفولاذ للهيكل الرئيسي والفولاذ المقاوم للصدأ للمكونات الأساسية. تشمل الترقيات الاختيارية تشطيبًا مجلفنًا بالغمس الساخن، وبنية كاملة من الفولاذ المقاوم للصدأ، وارتفاعات مخصصة للطلاء.
إن HEE DF-403-20 Flush Watertight Quick Acting Escape Hatch عبارة عن مكون متخصص للسلامة البحرية مصمم لأحواض بناء السفن وأصحاب السفن ومشغلي المنصات البحرية ومقاولي الهندسة البحرية. تم تصميم هذه خصيصًا لسيناريوهات الهروب في حالات الطوارئ على السفن والمرافق البحرية، فتحة الهروب سريعة المفعول المقاومة للماء وتتميز بهيكل مثبت على السطح موفر للمساحة، وأداء موثوق ضد الماء، وآلية فتح سريعة المفعول بخطوة واحدة، مما يضمن الإخلاء السريع في حالات الطوارئ حتى في البيئات البحرية القاسية. تم تصنيع الفتحة من مكونات أساسية من الفولاذ والفولاذ المقاوم للصدأ، وقد اجتازت اختبار التسرب بمقدار 0.04 ميجا باسكال، مما يلبي معايير السلامة البحرية الصارمة، مع تكوينات مخصصة اختيارية للتكيف مع متطلبات السفن والمشاريع البحرية المتنوعة.
المعلمة | مواصفة |
رقم النموذج | DF-403-20 |
البعد الكلي أ | 24 1/8' |
البعد الكلي ب | 29 5/8' |
مسح قطر الافتتاح ΦC | 20 ' |
ارتفاع الكومة د | 6 ' |
وزن الوحدة | 300 رطل |
ضغط اختبار ماء | 0.04 ميجا باسكال |
مادة غطاء الفتحة القياسية | فُولاَذ |
مادة حشية الختم القياسية | النيوبرين |
مواد مكونات القفل الأساسية | الفولاذ المقاوم للصدأ |
تتبنى فتحة الهروب البحرية المقاومة للماء هيكلًا مثبتًا بالكامل، والذي لا يبرز من سطح السفينة أو سطح الحاجز بعد التثبيت، مما يوفر مساحة قيمة للسفينة، ويتجنب مخاطر التعثر، ويتكيف مع مناطق المقصورة والسطح الضيقة.
بفضل حشية الغلق المصنوعة من النيوبرين عالية المرونة وهيكل القفل الموحد متعدد النقاط، تحافظ الفتحة على أداء مستقر ضد الماء تحت ضغط ماء يبلغ 0.04 ميجا باسكال، مما يمنع دخول الماء في سيناريوهات الفيضانات الطارئة، ويتوافق مع لوائح السلامة البحرية الدولية.
تتميز فتحة الهروب في حالات الطوارئ سريعة المفعول للسفن بنظام قفل دوار مركزي، مما يتيح الفتح الكامل أو القفل في ثانية واحدة بعملية واحدة، ويمكن الوصول إليها من الداخل والخارج، مما يضمن إخلاء أفراد الطاقم في حالات الطوارئ دون عائق.
الهيكل الرئيسي مصنوع من الفولاذ عالي القوة، مع جميع مكونات القفل والدوران الأساسية مصنوعة من الفولاذ المقاوم للصدأ، مما يوفر مقاومة استثنائية للصدمات، ومقاومة للتآكل بسبب رش الملح، ومتانة طويلة الأمد في البيئات البحرية القاسية، مما يقلل من تكرار الصيانة وتكاليفها.
تشمل الترقيات الاختيارية تشطيبًا مجلفنًا بالغمس الساخن، وبنية كاملة من الفولاذ المقاوم للصدأ، وارتفاعات مخصصة للتجويف، تتكيف مع أنواع السفن المختلفة، والمنصات البحرية، والمتطلبات الخاصة بالمشروع.
تعمل من فتحة الهروب السريعة المفعول Flush Watertight خلال نظام قفل دوار مركزي. يقوم العمود المركزي بتشغيل مجموعة الكتلة الدوارة و3 أذرع للكلاب من الفولاذ المقاوم للصدأ لتحقيق قفل وتحرير متزامن متعدد النقاط. عندما يتم تدوير آلية التشغيل، تتفاعل أذرع الكلاب مع مقاعد القفل المجوفة، وتطبق قوة ضغط موحدة على حشية النيوبرين بين غطاء الفتحة والتجويف، وتشكل ختمًا مستمرًا مانعًا لتسرب الماء وخاليًا من الفجوات لمنع اختراق الماء. في سيناريوهات الطوارئ، يمكن تحرير الآلية بسرعة من الجانبين الداخلي والخارجي، مع هيكل المفصلات الذي يتيح فتح غطاء الفتحة بسلاسة، مما يوفر فتحة واضحة بدون عائق مقاس 20 بوصة للهروب في حالات الطوارئ.
قبل التثبيت، تأكد من أن حجم فتحة السطح أو الحاجز يتطابق مع أبعاد فتحة الفتحة، وافحص غطاء الفتحة وحشية الغلق وآلية القفل بحثًا عن أي تلف أو تشوه أثناء النقل.
قم بلحام التجاويف على السطح أو الحاجز باستخدام لحام موحد، مما يضمن أن يكون سطح التجوية مستويًا وخاليًا من التشوه لتجنب الضغط غير المتساوي لحشية الختم. بعد اللحام، قم بإزالة خبث اللحام وتطبيق معالجة مضادة للتآكل على منطقة اللحام.
افحص حشية الختم المصنوعة من النيوبرين بحثًا عن التقادم أو التشقق أو التآكل كل 3 أشهر، واستبدلها على الفور في حالة تلفها. قم بتشحيم مكونات الدوران والقفل المصنوعة من الفولاذ المقاوم للصدأ كل 6 أشهر، وقم بإجراء اختبار ضغط مانع لتسرب الماء سنويًا لضمان الأداء في حالات الطوارئ.
لقد اجتازت الفتحة اختبارًا صارمًا للتسرب المقاوم للماء بمقدار 0.04 ميجا باسكال، مما يلبي متطلبات الأداء المقاوم للماء لتركيبات سطح السفينة البحرية والحواجز.
نعم، تدعم آلية العمل السريع التشغيل ثنائي الاتجاه من كلا الجانبين الداخلي والخارجي، مما يضمن الهروب في حالات الطوارئ دون عائق ووصول الإنقاذ الخارجي.
يستخدم التكوين القياسي الفولاذ للهيكل الرئيسي والفولاذ المقاوم للصدأ للمكونات الأساسية. تشمل الترقيات الاختيارية تشطيبًا مجلفنًا بالغمس الساخن، وبنية كاملة من الفولاذ المقاوم للصدأ، وارتفاعات مخصصة للطلاء.
ال DF-274-5 2 كلب مرفوع ماء ماء هو سطح السفينة البحرية الممتازة التي تم تصميمها من قبل Hee (Changshu Haichuan Engineering & Equipment Co. ، Ltd.) ، وهي شركة تصنيع رائدة في الصين متخصصة في المعدات البحرية والبحرية. تم تصميم هذه الفتحة لتلبية الحاجة الحاسمة لمقاومة موثوقة للمياه في البيئات البحرية القاسية ، بمثابة حاجز وقائي لفتحات سطح السفينة ، ومنع دخول المياه ، وتراكم الغبار ، والتآكل الذي قد يتسبب في إتلاف المكونات الداخلية للسفن أو المنصات الخارجية أو البنية التحتية للموانئ.