| توافر الحالة: | |
|---|---|
| الكمية: | |
HEE
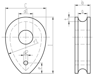
DIN 3091 حلقة مصبوبة ثقيلة قابلة للطرق
| مقاس | الحجم الأساسي مم | ||||||||
| a | b | c | d1 | t | l | r1 | d2 | e | |
| 8 | 9 | 15 | 40 | 14 | 4.5 | 56 | 48 | ||
| 10 | 11 | 17.5 | 50 | 18 | 6 | 70 | 60 | ||
| 12 | 13 | 20 | 60 | 21 | 7.5 | 84 | 72 | ||
| 14 | 16 | 23.5 | 70 | 25 | 9 | 98 | 84 | ||
| 16 | 18 | 26 | 80 | 28 | 10.5 | 110 | 96 | ||
| 18 | 20 | 28.5 | 90 | 31 | 12 | 130 | 110 | ||
| 20 | 22 | 31 | 100 | 35 | 13.5 | 140 | 120 | 10 | 30 |
| 22 | 24 | 33.5 | 110 | 38 | 15 | 150 | 130 | 10 | 30 |
| 24 | 26 | 36 | 120 | 41 | 16.5 | 170 | 140 | 10 | 30 |
| 26 | 29 | 39.5 | 130 | 44 | 18 | 180 | 160 | 10 | 30 |
| 28 | 31 | 42 | 140 | 47 | 20 | 200 | 170 | 10 | 30 |
| 32 | 35 | 47 | 160 | 53 | 23 | 220 | 190 | 10 | 30 |
| 36 | 40 | 53 | 180 | 59 | 26 | 250 | 220 | 10 | 30 |
| 40 | 44 | 58 | 200 | 65 | 29 | 280 | 240 | 10 | 30 |
| 44 | 48 | 63 | 220 | 70 | 32 | 310 | 260 | 15 | 45 |
DIN 3091 حلقة مصبوبة ثقيلة قابلة للطرق
| مقاس | الحجم الأساسي مم | ||||||||
| a | b | c | d1 | t | l | r1 | d2 | e | |
| 8 | 9 | 15 | 40 | 14 | 4.5 | 56 | 48 | ||
| 10 | 11 | 17.5 | 50 | 18 | 6 | 70 | 60 | ||
| 12 | 13 | 20 | 60 | 21 | 7.5 | 84 | 72 | ||
| 14 | 16 | 23.5 | 70 | 25 | 9 | 98 | 84 | ||
| 16 | 18 | 26 | 80 | 28 | 10.5 | 110 | 96 | ||
| 18 | 20 | 28.5 | 90 | 31 | 12 | 130 | 110 | ||
| 20 | 22 | 31 | 100 | 35 | 13.5 | 140 | 120 | 10 | 30 |
| 22 | 24 | 33.5 | 110 | 38 | 15 | 150 | 130 | 10 | 30 |
| 24 | 26 | 36 | 120 | 41 | 16.5 | 170 | 140 | 10 | 30 |
| 26 | 29 | 39.5 | 130 | 44 | 18 | 180 | 160 | 10 | 30 |
| 28 | 31 | 42 | 140 | 47 | 20 | 200 | 170 | 10 | 30 |
| 32 | 35 | 47 | 160 | 53 | 23 | 220 | 190 | 10 | 30 |
| 36 | 40 | 53 | 180 | 59 | 26 | 250 | 220 | 10 | 30 |
| 40 | 44 | 58 | 200 | 65 | 29 | 280 | 240 | 10 | 30 |
| 44 | 48 | 63 | 220 | 70 | 32 | 310 | 260 | 15 | 45 |
محتوى فارغ!
ال DF-274-5 2 كلب مرفوع ماء ماء هو سطح السفينة البحرية الممتازة التي تم تصميمها من قبل Hee (Changshu Haichuan Engineering & Equipment Co. ، Ltd.) ، وهي شركة تصنيع رائدة في الصين متخصصة في المعدات البحرية والبحرية. تم تصميم هذه الفتحة لتلبية الحاجة الحاسمة لمقاومة موثوقة للمياه في البيئات البحرية القاسية ، بمثابة حاجز وقائي لفتحات سطح السفينة ، ومنع دخول المياه ، وتراكم الغبار ، والتآكل الذي قد يتسبب في إتلاف المكونات الداخلية للسفن أو المنصات الخارجية أو البنية التحتية للموانئ.