أنت هنا: بيت / تركيبات سطح السفينة / مربط الحبال / لقم رباط مربعة عالية القوة للمكدس

تركيبات سطح السفينة

loading

حصة ل:
facebook sharing button
twitter sharing button
line sharing button
wechat sharing button
linkedin sharing button
pinterest sharing button
whatsapp sharing button
sharethis sharing button

لقم رباط مربعة عالية القوة للمكدس

توافر الحالة:
الكمية:
  • DF-40A

يلقي الصلب بت مزدوج

الصورة 2

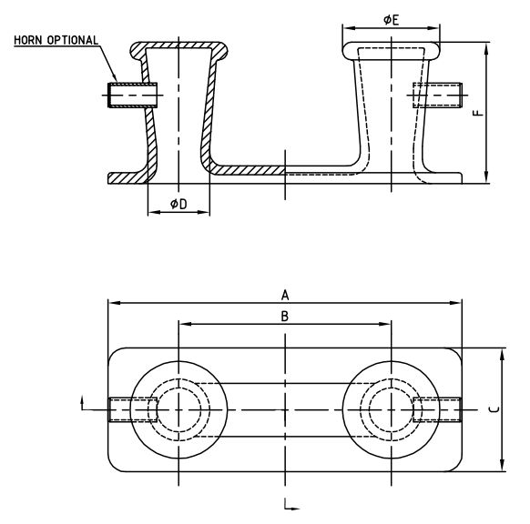
نموذج رقم. A B C د ΦE F بالوزن (رطل) بوق
DF-2 40' 24' 14' 7 بوصة 11' 16' 375 ×
DF-2A 40' 24' 14' 7 بوصة 11' 16' 385
دف-40 45' 27' 15' 9' 13 1/2' 18' 545 ×
DF-40A 45' 27' 15' 9' 13 1/2' 18' 560

التفاصيل

  نقدم لكم قطع الإرساء المربعة عالية القوة، المصممة خصيصًا لتطبيقات المكدس.

  تم تصميم لقم الإرساء هذه بأقصى قدر من الدقة وباستخدام مواد عالية الجودة لتحمل البيئات البحرية الأكثر تطلبًا.

  بفضل شكلها المربع، توفر هذه المثقاب قوة وثباتًا استثنائيين، مما يضمن إرساءًا آمنًا وموثوقًا للمكدس الخاص بك.

  تم تصميم لقم الإرساء المربعة عالية القوة الخاصة بنا للتعامل مع الأحمال الثقيلة، مما يجعلها الخيار الأمثل للاستخدام الصناعي والتجاري.

  تم تصميم قطع الإرساء هذه مع وضع الاحترافية في الاعتبار، وتوفر مظهرًا أنيقًا ولامعًا، مما يضيف لمسة من الرقي إلى أي رصيف أو مرسى.

  استثمر في وحدات التثبيت المربعة عالية القوة اليوم واستمتع براحة البال التي تأتي مع معرفة أن المكدس الخاص بك راسٍ بشكل آمن.

على: 
تحت: 

مقالات ذات صلة

محتوى فارغ!

تمتلك HEE و Rijiu القدرة على تصنيع أي من احتياجاتك تقريبًا للتسليم في الوقت المناسب في أي مكان في العالم.
ترك رسالة
ابق على تواصل معنا

روابط سريعة

اتصل بنا

  هاتف: 2139 -5266- 512- 86+
بريد إلكتروني : hcee@cshcee.com
العنوان: No.99 Tongjiang Road، Meili Town، Changshu City، Jiangsu Province، PRC

منتوجات جديدة

فتحة بمقبض على شكل حرف T مقاومة للماء
الموديل: DF-430-18
المواد: أستم A36
التشطيب القياسي: الطلاء التمهيدي
اللون: حسب طلبك
موك: 5 قطع
التعبئة: لوح الخشب الرقائقي
0
0
4 كلب مرفوع بالكلاب
النموذج: DF-343-5
المواد: الصلب
الوزن: 99 رطل
التشطيب القياسي: Paint Primer
اللون: رمادي أو كطلبك
MOQ: 5pcs
التعبئة: البليت الخشب الرقائقي
0
0

ال DF-274-5 2 كلب مرفوع ماء ماء هو سطح السفينة البحرية الممتازة التي تم تصميمها من قبل Hee (Changshu Haichuan Engineering & Equipment Co. ، Ltd.) ، وهي شركة تصنيع رائدة في الصين متخصصة في المعدات البحرية والبحرية. تم تصميم هذه الفتحة لتلبية الحاجة الحاسمة لمقاومة موثوقة للمياه في البيئات البحرية القاسية ، بمثابة حاجز وقائي لفتحات سطح السفينة ، ومنع دخول المياه ، وتراكم الغبار ، والتآكل الذي قد يتسبب في إتلاف المكونات الداخلية للسفن أو المنصات الخارجية أو البنية التحتية للموانئ.

0
0
حقوق النشر © 2023 Changshu HaiChuan Engineering & Equipment Co.,Ltd. جميع الحقوق محفوظة.| Sitemap | سياسة الخصوصية |الدعم من قبل Leadong